Call us now +64 9 948 4762
 
DISCOUNT 5% WITH NEXT PURCHASE
Write a review about product you just purchased and receive 5% discount for your next order
 
DELIVERY SCHEDULE
Our dispatch time is only 1 working days from date of purchase
 

JA-112M Bus module 2 inputs

JA-112M Bus module 2 inputs

  • Brand::Jablotron
  • Product Code: JA-112M
  • Availability: In Stock

Power From control panel BUS 12 V (9 … 15 V)
Current consumption in standby mode 7 mA
Current consumption for cable choice (maximum) 12 mA
Maximum length of cable to the magnetic contact 100 m
Dimensions 110 x 44 x 26 mm
Weight 51 g
Classification Grade 2/II. indoor general (According to EN 50131-1)
Operational environment Indoor general
Operational temperature range -10 °C to +40 °C
Average operational humidity 75 % RH, non-condensing
Certification body Trezor Test s.r.o. (no. 3025)
Also complies with EN 50131-1 ed. 2+A1+A2, EN 50131-3, EN 50130-4 ed. 2+A1, EN 55032, EN 50581

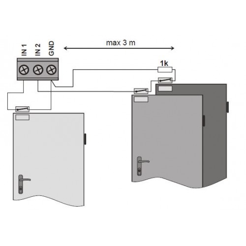
The JA-112M bus module is used to connect wired magnetic door/window detectors to the bus and contains two independent inputs programmable to be NC/NO or using a balancing resistor.

Allows you to set a minimum time for alarm activation (0.5 s, 1 s, 2 s or 5 s).

The detector communicates with and is powered by the control panel bus. The detector is addressable and occupies two positions in the system.

SMART MEMORY indictaion (SMI) provides a visual (LED) verification of detector triggering. SMI is reset via the keypad

 

Inputs can be connected as NO, NC, single balanced loop or as a double balanced loop. The Internal settings option programmable in the F - Link software.

Write a review

Please login or register to review